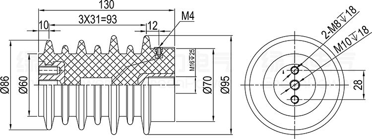
CG-12/95*130-28 (125pF) 12kV Capacity insulator (Sensor)
The 12kV Sensor-Embedded Insulator is designed to provide reliable electrical insulation while offering real-time monitoring capabilities for critical power systems. Equipped with advanced sensor technology, this insulator can detect voltage, temperature, and mechanical stress, providing vital data for predictive maintenance and ensuring system safety. It is ideal for use in substations, high-voltage switchgear, and other critical electrical infrastructure, enhancing the intelligence and efficiency of power distribution networks.
- Overview
- Recommended Products
The 12kV Sensor-Embedded Insulator is designed to provide reliable electrical insulation while offering real-time monitoring capabilities for critical power systems. Equipped with advanced sensor technology, this insulator can detect voltage, temperature, and mechanical stress, providing vital data for predictive maintenance and ensuring system safety. It is ideal for use in substations, high-voltage switchgear, and other critical electrical infrastructure, enhancing the intelligence and efficiency of power distribution networks.
● Real-Time Monitoring: Embedded sensors detect voltage, temperature, and mechanical stress in real-time, providing valuable data for proactive maintenance.
● Enhanced Safety: Continuous monitoring allows for early detection of potential issues, minimizing risks of equipment failure and improving system reliability.
● Durable and Weather-Resistant: Manufactured from high-quality silicone rubber or EPDM, offering superior resistance to UV degradation, aging, and extreme weather conditions.
● Compact and Lightweight: Easy to install and integrate into existing electrical systems, offering both space-saving and high performance.
● Long Operational Life: Designed to endure harsh environmental conditions while providing long-lasting electrical insulation and monitoring.

Rated voltage: 12kV
Material: High-quality epoxy resin
Manufacturing process: APG (Automatic Pressure Gelation)
Product type: Straight type, Three-way type (Customization supported)
Applicable standard: IEC
Certificate: CE


● Substations & High-Voltage Power Lines: Ideal for real-time monitoring and protection in substations and power distribution systems.
● Intelligent Power Systems: Enhances system intelligence by integrating real-time sensor-based monitoring, enabling faster decision-making and maintenance.
● Critical Infrastructure: Suitable for use in high-risk areas where electrical equipment failure can lead to significant disruptions.

GreenPower provides professional smart switchgear solutions. Contact us immediately for free consultation and quotation. Our professional team will provide you with full service and technical support throughout the process.
Email: [email protected]
Tel: +86-18989782765
Fax: 057785500968
