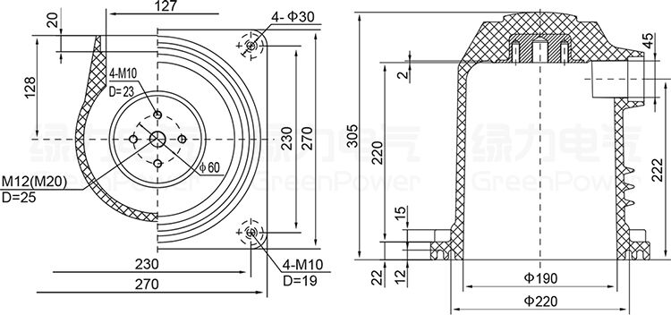
GPHN3-10Q/230 12kV Contact box
The 12kV epoxy resin contact box is designed for metal-clad MV switchgear with rated voltage 12kV and rated current up to 4000A, providing plug-in connection and insulation support between vacuum circuit breakers and busbars/cables.
- Overview
- Recommended Products
The 12kV epoxy resin contact box is designed for metal-clad MV switchgear with rated voltage 12kV and rated current up to 4000A, providing plug-in connection and insulation support between vacuum circuit breakers and busbars/cables.
Made from high-quality epoxy resin using APG pressure-gelation technology, it offers high dielectric strength, excellent arc and tracking resistance, long creepage distance, low partial discharge, and high dimensional accuracy for safe and reliable long-term operation.
The range includes straight and three-way designs with current ratings of 1250A, 1500A, 2500A, 3150A and 4000A, meeting different panel layouts and feeder schemes.
The contact box features a smooth, easy-to-clean surface and standardized mounting dimensions with good interchangeability. It is suitable for use with mainstream 12kV switchgear and VCB trolleys, and can also be customized according to customer drawings.

Rated voltage: 12kV
Rated current: ≤3150A
Material: Epoxy resin
Manufacturing process: APG (Automatic Pressure Gelation)
Applicable standard: IEC
Certificate: CE



GreenPower provides professional smart switchgear solutions. Contact us immediately for free consultation and quotation. Our professional team will provide you with full service and technical support throughout the process.
Email: [email protected]
Tel: +86-18989782765
Fax: 057785500968
